Описание
Характеристики
Отзывы
Описание
Испытательный стенд МЕГЕОН 03000F
МЕГЕОН 03000F - это простой и удобный горизонтальный испытательный стенд растяжения-сжатия с рычажным механизмом подачи суппорта. Механизм перемещения суппорта имеет простую и надёжную конструкцию, состоящую из термообработанной зубчатой рейки и шестерни. Основные узлы конструкции имеют антикоррозионное покрытие, что в свою очередь увеличивает срок службы всего изделия. На трущиеся поверхности нанесены смазочные материалы. В комплекте имеется удерживающее устройство для устновки образца и ДВУ-001 для динамометра. Удерживающее устройства также имеет антикоррозионное покрытие. В прощадке устройства предусмотрены отверстия в форме паза для правильной установки. Ручной испытательный стенд МЕГЕОН 03000F совместим с динамометрами, как цифровой серии МЕГЕОН 03ХХХ, 53ХХХ, а также с аналоговыми динамометрами МЕГЕОН 04ХХХ.
Особенности:
Может использоваться как с цифровыми, так и аналоговыми динамометрами
Простое и надежное устройство обеспечивает долгий срок службы
При изготовлении стенда использована качественная сталь
Краткие характеристики:
Комплект поставки:
1. Испытательный стенд МЕГЕОН 03000F - 1 шт.
2. Съёмная рукоятка механизма подачи - 1шт.
3. Удерживающее устройство - 1шт.
4. ДВУ-001 - 1шт.
5. Ключ шестигранный - 3шт.
6. Винты М5 - 5шт.
7. Руководство по эксплуатации- 1 экз.
Параметр
Значение
Максимальная нагрузка
500Н
Рабочий ход суппорта
78 мм
Диапазон регулировки положения суппорта
172 ... 250 мм
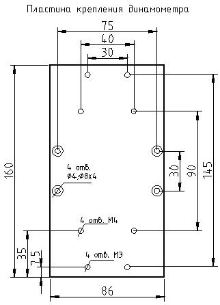
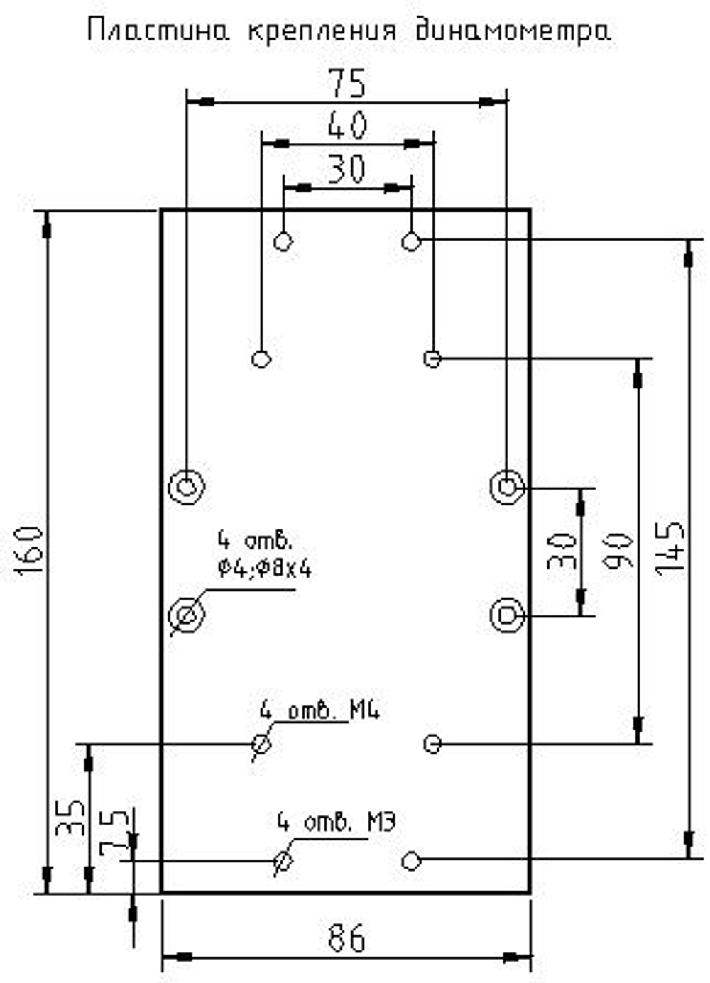
Высота от опорной площадки до штока динамометра*
03ххх
22 ... 100 мм (при креплении винтами М3)
58 ... 136 мм (при креплении винтами М4)
04ххх
47 ... 125 мм / 57 ... 135 мм (сжатие/растяжение)
53ххх
79 ... 157 мм
Условия эксплуатации
Температура: 0°С ... 60°С
Относительная влажность: не более 85% без выпадения конденсата
Условия хранения
Температура: -40°С ... 60°С
Относительная влажность: не более 85% без выпадения конденсата
Габаритные размеры
550 х 290 х 150 мм
Вес
9,3 кг
* 03ххх, 04ххх, 53ххх – серия используемого динамометра. Высота указана от основания без учёта удерживающих приспособлений.
Характеристики
Бренд
МЕГЕОН
Вес товара с упаковкой, кг
10.4
Габариты товара с упаковкой, мм
220х290х620
Родина бренда
Россия
Отзывы
Отзывов еще никто не оставлял
